Описание
Отзывы
Описание
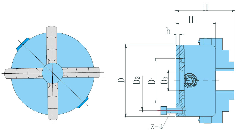
Технические характеристики:
Материал губок: закаленная сталь.
Модель: К12-125
Макс. об/мин: 3000 об/мин.
4 кулачка
| Size D | D1 | D2 | D3 | H | H1 | h | Z-d | Max. крутящий момент Nm |
Max. скорость об/min |
| 125 | 95 | 108 | 30 | 84 | 58 | 4 | 3-M8 | 100 | 3000 |
Особенности:
1.Короткий цилиндрический центральный монтаж.
2.Патроны модели K12 оснащены цельными губками (которые включают в себя набор внутренних губок и набор внешних).
3. Патроны модели K12 поставляются с традиционными кулачками из двух частей.
Отзывы
Отзывов еще никто не оставлял
