Описание
Отзывы
Описание
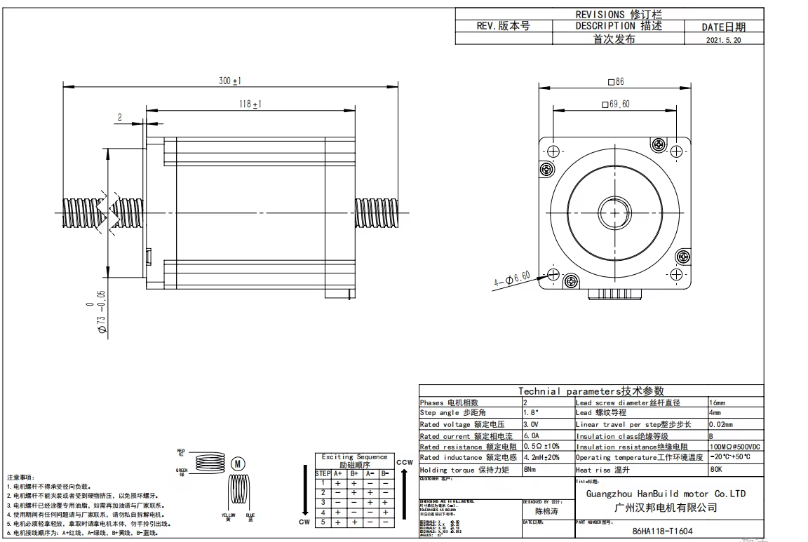
Шаговый двигатель с трапецедальным винтом
4N/m винт 300мм
наименование товара 86HA118-T16*4-300ММ
Размер 86*86*118 мм (диаметр 16 мм)
Фаза 2
Угол шага 1.8°
Вал "D" 16 мм
Разъем для подключения к розетке "4"
Цвет черный
Отзывы
Отзывов еще никто не оставлял
